一般建筑安装工程造价估算参数
来源一:
出版时间:1993年
书名:《资产评估常用数据与参数手册》
作者: 吕发钦
出版社:北京科学技术出版社
ISBN:9787530413951
所在页码:P187-P190
简介:本书是关于资产评估方面的实用工具书,书中收集了大量分行业的财务经济指标、基建竣工房屋造价和工业品出厂价格等各类价格指数;地产评估所必需的土地使用费和土地出让金标准、地价信息和地产评估参数;机器设备及房屋建筑物的参考寿命年限;房屋建筑物新旧程度鉴定方法与数据;各类资产评估所必需的常用数据和各种参数;宾馆饭店、办公、商店等各类建筑的技术经济指标;编写了大量企业整体、单项以及无形资产等各种评估的最新实例。本书可供从事资产评估操作、管理或有委托业务的广大企、事业单位、资产评估机构、会计师事务所、政府有关部门等有关人员随时查阅,书中的大量实用资料可直接供评估人员进行评估操作时参考,本书也可供财经院校的师生参考。




来源二:
出版时间:2003年
书名:《建筑施工手册》(缩印本)(精装)第四版
作者:建筑施工手册(第4版)组
出版社:中国建筑工业出版社
ISBN:9787112059720
所在页码:P2170-P2171
简介:《建筑施工手册》(缩印本)(精装)第四版缩印本是由《建筑施工手册》第四版1~5册缩印而成。全书共计36章内容。该书特点是:对近年来发展较快的施工技术内容作了大量补充;反映了建设部重点推广的新材料、新技术、新工艺;紧密结合近年来建筑材料、建筑结构设计、建筑安装施工质量验收等标准、规范、规程进行编写;根据国家施工质量验收规范要求,增加了建筑安装技术内容;该书由全国各地有丰富施工经验的专家、教授以及高级工程师共同编写。本次修订突出了内容简洁、资料齐全、实用、查找方便、新技术信息含量高的特点。


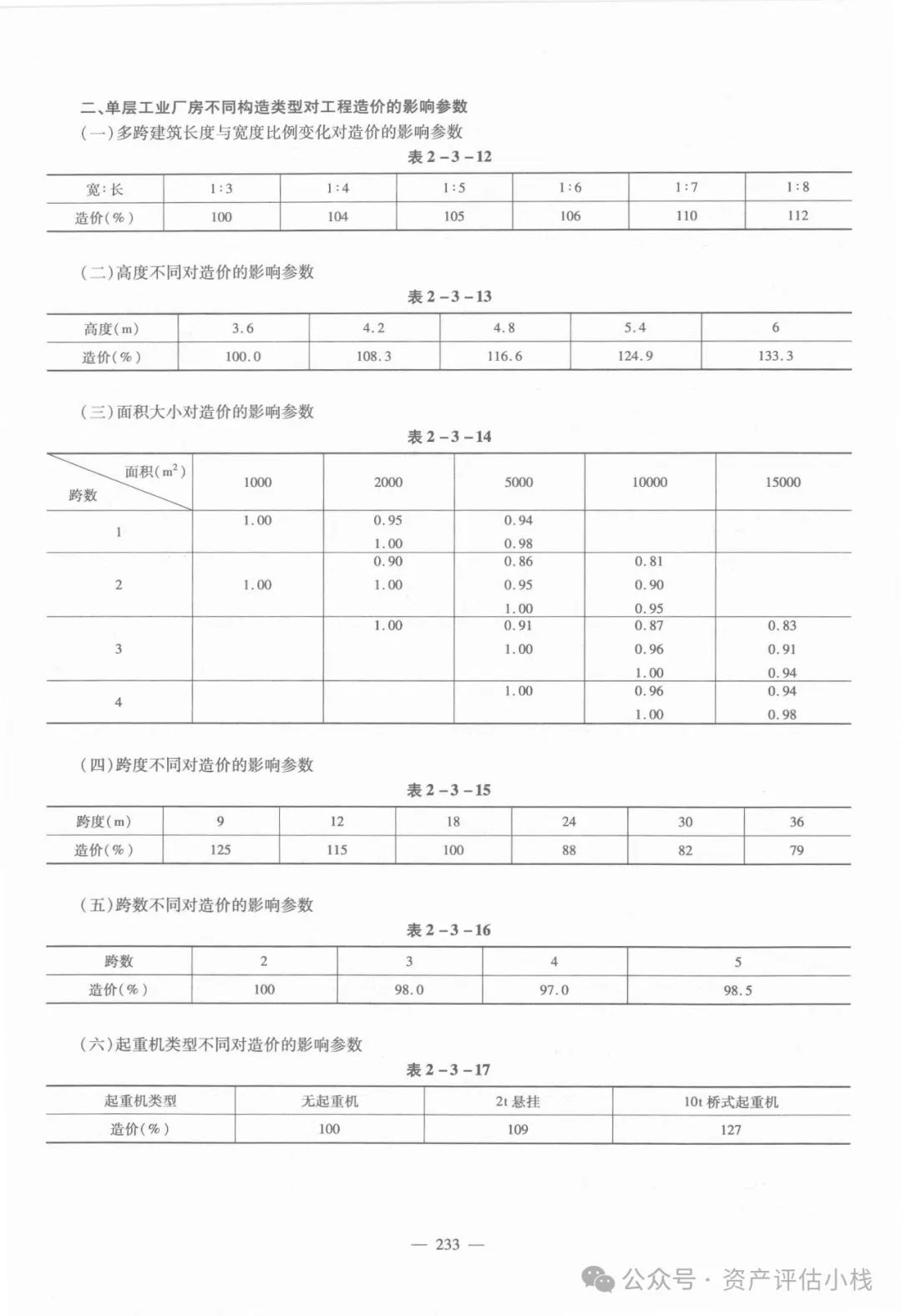
来源三:
出版时间:2011年
书名:《资产评估常用方法与参数手册》
作者:杨志明
出版社:机械工业出版社
ISBN:9787111366935
所在页码:P231-P235
简介:《资产评估常用方法与参数手册》主要内容包括资产评估的最新常用数据与参数,机器设备评估、知识产权评估的常用方法及宏观数据获取的方法,并在附录中列举了评估常用法规(规范性文件)、国家产业政策的参考目录,国家淘汰落后生产能力、产品、设备目录等。评估人员在进行土地评估、房屋建筑物评估、机器设备评估、知识产权评估、企业价值评估时均可参考使用。
本书是资产评估行业最具实用性的参考工具书,可供资产评估机构、银行、资产管理公司、政府相关部门、企业(事业)单位的相关人员以及有关大专院校师生随时查阅。




